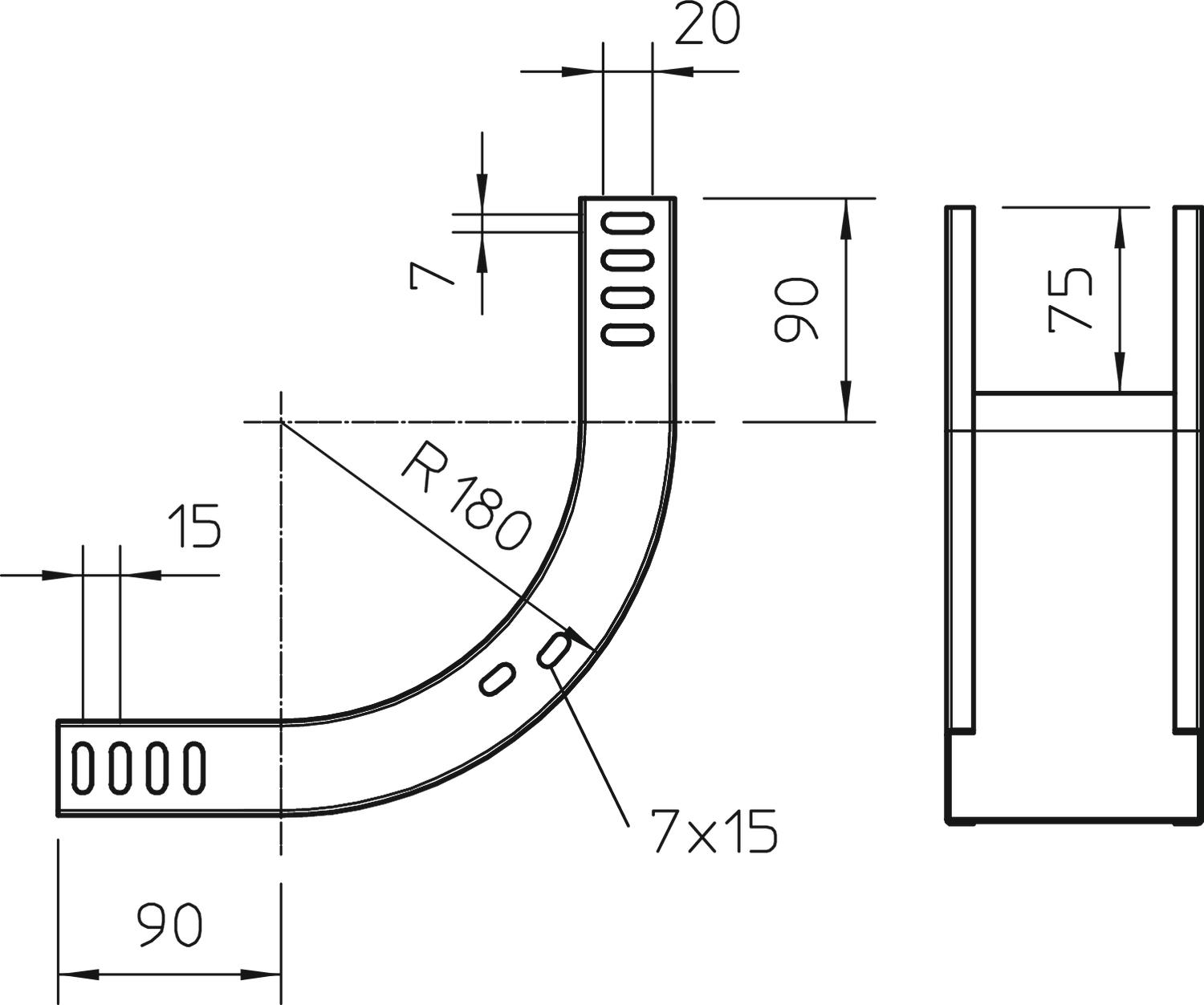
90° vertical bend, rising, 35 FS

Item no. 7007182 | EAN 4012195711445

Steel
Strip galvanized
zinc
Product description
Product description
90° rising vertical bend, for all cable tray types of 35 mm side height.

The vertical bend is pushed over the end of the cable tray and screwed tight.

Fastening materials should be ordered separately.

  • Communautés Européennes, EC declaration of conformity according to EC directives
  • UKCA declaration of conformity
  • CO₂ footprint (PCF)
Technical data

Technical data

Bend (angle) 90°
Change of direction Vertical rising
CO2 Footprint (GWP) Cradle-to-Gate 2,7018 kg CO2e / 1 Piece
Colour zinc
Connector version Without connectors
Dimension 35x200
Height 35 mm
Height 1 in
Maintain electrical functions no
Material Steel
Mounting perforation in base no
NATO hole pattern no
Plate thickness 1 mm
Rustproof steel, pickled no
Side perforation no
Surface Strip galvanized
Type of connector, cable support system Screwed
Wide-span version no
Width 8 in
Width 200 mm
All types

All types

Types Width Material Surface Colour Item no. Quantity SSU
RBV 310 S FS 100 mm Steel Strip galvanized zinc 7007174
1 piece
RBV 315 S FS 150 mm Steel Strip galvanized zinc 7007178
1 piece
RBV 320 S FS 200 mm Steel Strip galvanized zinc 7007182
1 piece
RBV 330 S FS 300 mm Steel Strip galvanized zinc 7007186
1 piece
Downloads

Download

EU declaration of conformity RBV 320 S FS / 7007182 , 0.10MB , pdf
Download

Download

RBV 320 S FS / 7007182
Download