Kombinovani zaštitni uređaji V50, 3-polni sa FS 385 V

Br.art. 5093580 | EAN 4012196398584

5093580 / V50-3+FS-385
3
385 V
IP20
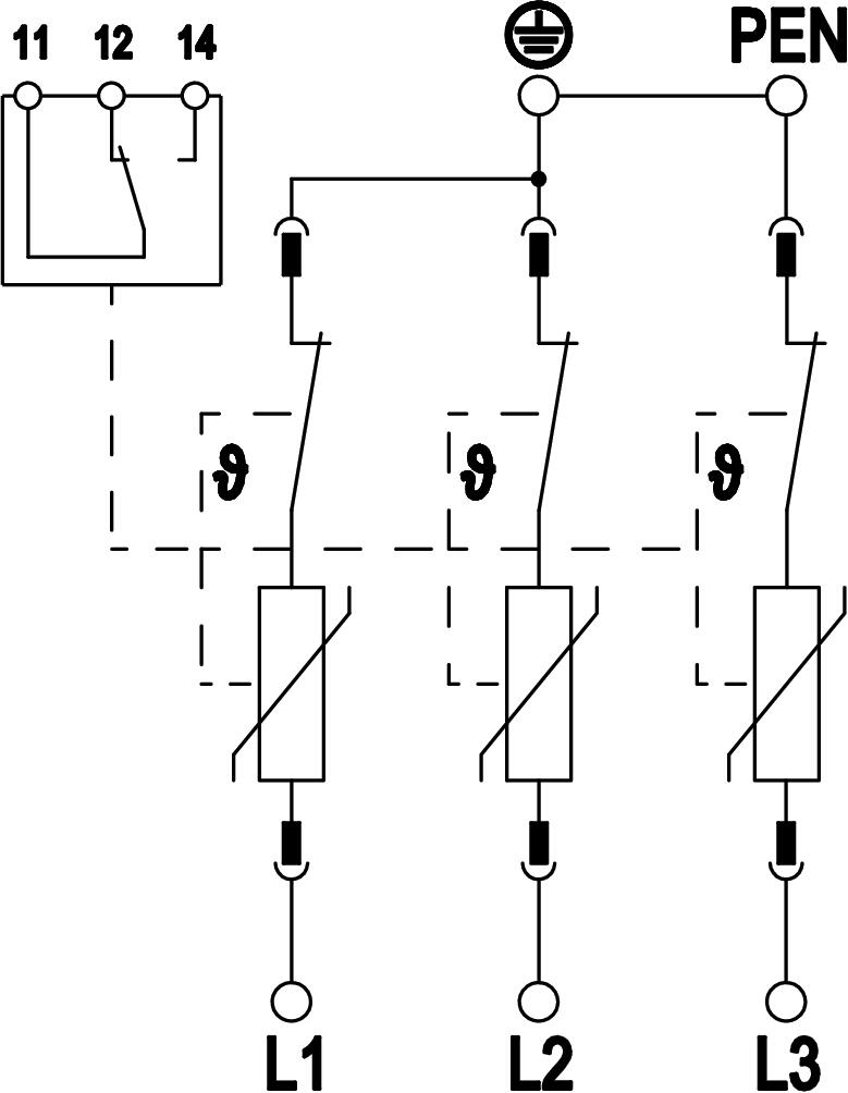
Opis proizvoda
Opis proizvoda
Kombinovani odvodnik prenapona tip 1+2

• Za gromobransko izjednačavanje potencijala prema VDE 0185-305 (IEC 62305)
• Kapacitet odvođenja prenapona 12,5 kA (10/350) po polu i do 50kA (10/350) ukupno
• Modularni utični odvodnik prenapona sa razdvojnim sistemom i optičkim indikatorom statusa
• Uklopna funkcija sa zaštitom od vibracija i kodiranjem napona
• Plastika prema UL 94 V-0
• FS varijante imaju kontakt invertera bez potencijala za daljinsku signalizaciju

Primena: Gromobranska zaštita-izjednačavanje potencijala za zgrade klase III i IV.
* Komplet = gornji i donji deo
  • KEMA-KEUR, Holandija
  • Austrijsko udruženje elektrotehnike, Austrija
  • Udruženje elektrotehnike, elektronike i informacione tehnike e.V, Nemačka
  • Underwriters Laboratories Inc., USA + CSA, Kanada
  • 5 godina garancije
  • Communautés Européennes, EU Izjava o usaglašenosti prema EU-pravilniku
  • EurAsian Conformity
  • Regulatory Compliance Mark - Izjava o usaglašenosti za Australiju / Novi Zeland
  • Prelaz od LPZ 0 do 2.
  • Kombinovan zaštitni uređaj od tipa 1 i tipa 2
  • Installation electrotechnical expertise
  • Daljinska signalizacija
  • CO₂ footprint (PCF)
  • Packaging without plastic
  • Packaging made entirely from recycled cardboard
Tehnički podaci

Tehnički podaci

Broj el. polova 3
CO2 otisak (GWP) od kolevke do kapije 1,6552 kg CO2e / 1 Komad
Daljinska signalizacija da
Dimenzija 385V
Dozvole VDE, KEMA, UL, ÖVE
FM-kontakti Izmenjivač
Integrisani predosigurač ne
Izduvno ne
Kontaktno vreme <25 ns
Maks. prenaponska zaštita mreže 160 A gL/gG
Maksimalna udarna struja odvođenja (8/20 μs) 50 kA
Maksimalna udarna struja odvođenja (8/20 μs) [L-N] 50 kA
Maksimalni preventivni osigurač 160 A
Materijal Poliamid
Materijal kućišta PA UL 94 V-0
Minimalno rastojanje 1,5 mm
Način montaže Torban šina 35 mm
Največi trajni napon AC 385 V
Najviša vrednost trajnog napona (L-N) 385 V
Nominalna struja odvođenja (8/20 µs) 30 kA
Nominalna struja odvođenja (8/20 µs) [L-N] 30 kA
Nominalni napon AC (50 / 60 Hz) 350 V
Oblik mreže TN-C
Oblik mreže TN da
Oblik mreže TN-C da
Obrtni momenat 4 Nm
Odvodna struja (8/20 µs) [ukupna] 120 kA
Otpornost na kratke spojeve kod maks. prenaponske zaštite mreže 50 kA eff
Prag zaštite [L-N] ≤1,7
Prečnik fleksibilnog provodnika (tankožilni) maks. 35 mm²
Prečnik fleksibilnog provodnika (tankožilni) maks. 2 AWG
Prečnik fleksibilnog provodnika (tankožilni) min. 1,5 mm²
Prečnik fleksibilnog provodnika (tankožilni) min. 16 AWG
Prečnik krutog provodnika (jedno-/višežilni) maks. 35 mm²
Prečnik krutog provodnika (jedno-/višežilni) maks. 2 AWG
Prečnik krutog provodnika (jedno-/višežilni) min. 16 AWG
Prečnik krutog provodnika (jedno-/višežilni) min. 1,5 mm²
Prečnik priključka FM-kleme maks. 1,5 mm²
Prečnik priključka FM-kleme maks. 16 AWG
Prečnik priključka FM-kleme min. 21 AWG
Prečnik priključka FM-kleme min. 0,5 mm²
Preostali napon [L-N] @ 1 kA 1,1 kV
Preostali napon [L-N] @ 12,5 kA 1,3 kV
Preostali napon [L-N] @ 5 kA 1,2 kV
Radna temperatura maks. 80 °C
Radna temperatura min. -40 °C
Signalizacija na uređaju vizuelno
Sklopna snaga AC 230 V; 0,5 A
Sklopna snaga DC 230 V; 0,1 A / 75 V; 0,5 A
SPD prema EN 61643-11 Tip 1+2
SPD prema IEC 61643-1 klasa I+II
SPD prema UL 1449 Tip 4
Temperaturna oblast primene maks. 80 °C
Temperaturna oblast primene min. -40 °C
TOV-napon [L-N] - fail safe mode - 120 min 670 V
TOV-napon [L-N] - withstand mode - 5 s 510 V
Udarni napon (10/350 μs) 12,5 kA
Udarni napon (10/350) [ukupno] 37,5 kA
Varijanta polova 3
Vlažnost vazduha maks. 95 %
Vlažnost vazduha min. 5 %
Vrsta zaštite IP20
Svi tipovi

Svi tipovi

Tip Varijanta polova Največi trajni napon AC Vrsta zaštite Br.art. Količina malo pakovanje
V50-3+FS-385 3 385 V IP20 5093580
1 Komad
Preuzimanja

Preuzimanje

Preuzimanje

EU izjava o usaglašenosti V50-3+FS-385 / 5093580 , 0.13MB , pdf
Preuzimanje

V50-3+FS-385 / 5093580
Preuzimanje