Lestvičasti nosač kablova LCIS 60, 6 m C30 A2

Br.art. 6207252 | EAN 4012196431687

6207252 / LCIS 620 6 A2
6000 mm
200 mm
1,5 mm
ne
Opis proizvoda
Opis proizvoda
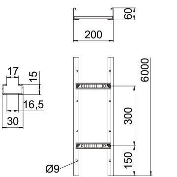
Lestvičasti nosač kablova bočne visine 60 mm sa zavarenom, ka gore otvorenom C30-profil prečkom. Savijena bočna strana radi pojačanja i kao zaštita ivica. Pričvršćivanje na konzolu izvodi se sa steznim komadima tipa LKS 40. Mera proreza prečke iznosi 16,5 mm, odgovarajuća lučna obujmica je tipa 2056.
Magnetna zaštita bez poklopca 10 dB, sa poklopcem 15 dB.
  • Communautés Européennes, EU Izjava o usaglašenosti prema EU-pravilniku
  • UKCA Izjava o usaglašenosti
  • Lestvičasti nosač kablova, bočna visina 60 mm
  • Environmental Product Declaration (EPD)
  • CO₂ footprint (PCF)
Tehnički podaci

Tehnički podaci

Bočne perforacije da
Boja oplemenjeni čelik
CO2 otisak (GWP) od kolevke do kapije 13,4903 kg CO2e / 1 Metar
Debljina stranice 1,5 mm
Dimenzija 60x200x6000
Dimenzija B 200 mm
Dimenzija proreza prečke 17,00
Dužina 6000 mm
Izvedba-za velike raspone ne
Korisni presek 80 cm²
Korisni presek 8000 mm²
Materijal plemeniti čelik, nerđajući 1.4301
Nerđajući čelik, nagrižen da
Održavanje funkcionalnosti ne
Površina svetlo, naknadno obrađeno
Pričvršćivanje pregrade zavareno
Rastojanje među konzolama 1,5m 3,3 kN/m
Rastojanje među konzolama 2,0m 2 kN/m
Rastojanje među konzolama 2,5m 1,3 kN/m
Rastojanje među konzolama 3,0m 1 kN/m
Rastojanje među konzolama 3,5m 0,78 kN/m
Rastojanje među konzolama 4,0m 0,4 kN/m
Rastojanje među konzolama 4,5m 0,3 kN/m
Rastojanje među konzolama 5,0m 0,2 kN/m
Rastojanje među prečkama 300 mm
Širina 200 mm
Varijanta bočne stranice ravan profil
Varijanta prečki Profil perforiran
Visina 60 mm

Tehnički podaci

Dijagram opterećenja lestvičastog nosača kablova tip LCIS 60

Dijagram opterećenja lestvičastog nosača kablova tip LCIS 60
  • Dozvoljeno opterećenje nosača kablova / lestvičastih nosača kablova u kN/m bez dodatnog opterećenja Dozvoljeno opterećenje nosača kablova / lestvičastih nosača kablova u kN/m bez dodatnog opterećenja
  • Rastojanje između oslonaca u m Rastojanje između oslonaca u m
  • Defleksija nosača kablova u mm uz dozvoljenih kN/m Defleksija nosača kablova u mm uz dozvoljenih kN/m
  • Šema opterećenja prilikom testiranja Šema opterećenja prilikom testiranja
  • Kriva opterećenja sa širinama nosača/lestvičastih nosača kablova u mm Kriva opterećenja sa širinama nosača/lestvičastih nosača kablova u mm
  • Kriva defleksije stranice u zavisnosti od potpornog raspona Kriva defleksije stranice u zavisnosti od potpornog raspona
Svi tipovi

Svi tipovi

Tip Dužina Širina Debljina stranice Održavanje funkcionalnosti Br.art. Količina malo pakovanje
LCIS 620 6 A2 6000 mm 200 mm 1,5 mm ne 6207252
6 m
Dodatna oprema

Sistemski pribor

Proizvodi Tip Br.art. Količina malo pakovanje
Poklopac, pun A2 Poklopac, pun A2 DRLU 100 A2 6052824
3 m
Brza spojnica A2 Brza spojnica A2 LVG 60 A2 6208846
10 Komad
Ugaona spojnica 60 A2 Ugaona spojnica 60 A2 LWVG 60 A2 6208898
10 Komad
Zglobna spojnica A2 Zglobna spojnica A2 LGVG 60 A2 6208947
10 Komad
Krivina 90° 60 A2 Krivina 90° 60 A2 LB 90 620 R3 A2 6225082
1 Komad
Ugradna račva 60 A2 Ugradna račva 60 A2 LAA 620 R3 A2 6225882
1 Komad
Element zglobne krivine 60 A2 Element zglobne krivine 60 A2 LGBE 620 A2 6225460
1 Komad
Zaštitna kapa 60 Zaštitna kapa 60 SKH 60 OR 6222537
40 Par
Pregrada 45 A2 Pregrada 45 A2 TSG 45 A2 6062025
3 m
Preuzimanja

Preuzimanje

EU izjava o usaglašenosti LCIS 620 6 A2 / 6207252 , 0.13MB , pdf
Preuzimanje
Deklaracija o ekološkim proizvodima (EPD) LCIS 620 6 A2 / 6207252 , 1.48MB , pdf
Preuzimanje

Preuzimanje
Preuzimanje

LCIS 620 6 A2 / 6207252
Preuzimanje