Maskirni ram VHF, za 1x dogradnu utičnicu tipa ASD i 1x CEE utični uređaj

Br.art. 6109858 | EAN 4012196169375

Opis proizvoda
Opis proizvoda
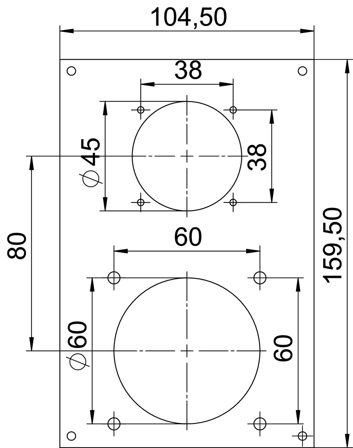
Poklopac sa Ø 45-mm-otvorom za ugradnju dogradne utičnice (tipa ASD-...) sa 38-mm-pričvrsnim žlebom i Ø 60-mm-otvorom za ugradnju CEE-utičnice 16/32 A sa 60-mm-pričvrsnim žlebom, sa 8 vijaka za pričvršćivanje uređaja.
  • Communautés Européennes, EU Izjava o usaglašenosti prema EU-pravilniku
  • CO₂ footprint (PCF)
Tehnički podaci

Tehnički podaci

bez halogena ne
Boja suncokret žuta; RAL 1021
Broj jedinica 2
CO2 otisak (GWP) od kolevke do kapije 0,2057 kg CO2e / 1 Komad
Dimenzija 166x105mm
Dužina 159,5 mm
Instalaciona tehnika ostalo
Maskirni poklopac ne
Materijal Polivinil-hlorid
Model otvora okruglo
Širina 104,5 mm
Visina 3 mm
Vrsta pričvršćivanja navojno
Vrsta zaštite IP20
Svi tipovi

Svi tipovi

Tip Br.art. Količina malo pakovanje
VHF-P13 6109858
1 Komad
Preuzimanja

Preuzimanje

Preuzimanje

VHF-P13 / 6109858
Preuzimanje