Nosač kablova za rasvetu FS

Br.art. 6055812 | EAN 4012196943937

75 mm
0,75 mm
Čelik
hladno pocinkovano
Opis proizvoda
Opis proizvoda
Nosač kablova za rasvetu sa perforiranim podom za pričvršćivanje svetiljki i sprovođenje vodova.
Magnetna zaštita bez poklopca 20 dB, sa poklopcem 50 dB.

Kod varijanti u beloj boji radi se o bojenju vidljivih površina.

  • Magnetna zaštita
  • Communautés Européennes, EU Izjava o usaglašenosti prema EU-pravilniku
  • Nosač kablova, bočna visina 60 mm
  • Environmental Product Declaration (EPD)
  • CO₂ footprint (PCF)
Tehnički podaci

Tehnički podaci

Bočne perforacije da
Boja cink
CO2 otisak (GWP) od kolevke do kapije 2,8026 kg CO2e / 1 Metar
Debljina lima 0,75 mm
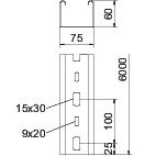
Dimenzija 60x75x6000
Dužina 6000 mm
Korisni presek 42 cm²
Materijal Čelik
Montažna perforacija u podu da
Nerđajući čelik, nagrižen ne
Površina hladno pocinkovano
Rastojanje među konzolama 1,5m 0,8 kN/m
Rastojanje među konzolama 2,0m 0,55 kN/m
Rastojanje među konzolama 2,5m 0,35 kN/m
Rastojanje među konzolama 3,0m 0,25 kN/m
Širina 75 mm
Tip testa opterećenja prema IEC 61537 Tip II
Varijanta spojnice bez spojnice
Visina 60 mm
Vrsta spojnice sistema nosača kablova zašrafljeno

Tehnički podaci

Dijagram opterećenja za nosač kablova za rasvetu tip LTR

Dijagram opterećenja za nosač kablova za rasvetu tip LTR
  • Dozvoljeno opterećenje nosača kablova / lestvičastih nosača kablova u kN/m bez dodatnog opterećenja Dozvoljeno opterećenje nosača kablova / lestvičastih nosača kablova u kN/m bez dodatnog opterećenja
  • Rastojanje između oslonaca u m Rastojanje između oslonaca u m
  • Defleksija nosača kablova u mm uz dozvoljenih kN/m Defleksija nosača kablova u mm uz dozvoljenih kN/m
  • Šema opterećenja prilikom testiranja Šema opterećenja prilikom testiranja
  • Kriva opterećenja sa širinama nosača/lestvičastih nosača kablova u mm Kriva opterećenja sa širinama nosača/lestvičastih nosača kablova u mm
  • Kriva defleksije stranice u zavisnosti od potpornog raspona Kriva defleksije stranice u zavisnosti od potpornog raspona
Svi tipovi

Svi tipovi

Tip Dužina Širina Debljina lima Materijal Površina Br.art. Količina malo pakovanje
LTR 3000 FS 3000 mm 75 mm 0,75 mm Čelik hladno pocinkovano 6055810
3 m
LTR 6000 FS 6000 mm 75 mm 0,75 mm Čelik hladno pocinkovano 6055812
6 m
Dodatna oprema

Sistemski pribor

Proizvodi Tip Br.art. Količina malo pakovanje
Poklopac sa obrtnom bravom FS Poklopac sa obrtnom bravom FS DRL 075 FS 6052029
3 m
Brza spojnica FS Brza spojnica FS RV 607 FS 6068150
10 Komad
Središnji nosač za nosač kabova za rasvetu FS Središnji nosač za nosač kabova za rasvetu FS MAH LTR FS 6358810
25 Komad
Preuzimanja

Preuzimanje

EU izjava o usaglašenosti LTR 6000 FS / 6055812 , 0.13MB , pdf
Preuzimanje
Deklaracija o ekološkim proizvodima (EPD) LTR 6000 FS / 6055812 , 1.48MB , pdf
Preuzimanje

Preuzimanje

LTR 6000 FS / 6055812
Preuzimanje