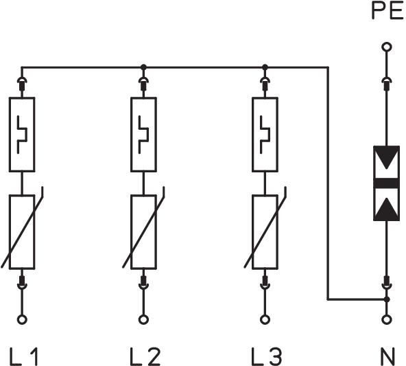
Odvodnik udarnog napona i prenapona 1-polni + NPE sa daljinskom signalizacijom

Br.art. 5093661 | EAN 4012195688433

280 V
IP20
Opis proizvoda
Opis proizvoda
Kombinovani odvodnik, odvodnik prenapona i struje groma tipa 1+2 prema DIN EN 61643-11.


• Za izjednačavanje potencijala kod atmosferskog pražnjenja prema VDE 0185-305 (IEC 62305)
• Kapacitet struje pražnjenja 12,5 kA (10/350)
• Univerzalno pogodan za TN i TT sisteme
• Sa kućištem sa terminalom za više konekcija
• Kompletna jedinica, koja se sastoji od kućišta i uloška, prethodno sastavljena i spremna za povezivanje
• Odvodnik, koji se može priključiti sa uređajem za dinamičko iskopčavanje
• Sa optičkim prikazom funkcija
• Nivo zaštite <1,3 kV
• Kapsulirani odvodnici varistorskog cinkovog oksida, za upotrebu u razvodnim tablama
• Označene veze
• FS varijanta sa kontaktom za daljinsku signalizaciju (bespotencijalni kontakt)

Primena: Izjednačavanje potencijala za zaštitu od groma u zgradama takođe sa spoljnom zaštitom od groma klase III i IV i u komercijalno dostupnim razvodnim tablama.
* Komplet = gornji i donji deo
  • 5 godina garancije
  • Communautés Européennes, EU Izjava o usaglašenosti prema EU-pravilniku
  • EurAsian Conformity
  • Kombinovan zaštitni uređaj od tipa 1 i tipa 2
  • Prelaz od LPZ 0 do 2.
  • Multibase-donji deo
  • Daljinska signalizacija
  • CO₂ footprint (PCF)
  • Packaging without plastic
Tehnički podaci

Tehnički podaci

Broj el. polova 1
CO2 otisak (GWP) od kolevke do kapije 1,1123 kg CO2e / 1 Komad
Daljinska signalizacija da
Dimenzija 280V
Integrisani predosigurač ne
Izduvno ne
Kontaktno vreme <25 ns
LPZ 0→2
Maks. prenaponska zaštita mreže 125
Maksimalna udarna struja odvođenja (8/20 μs) 50 kA
Maksimalni preventivni osigurač 125 A
Način montaže Torban šina 35 mm
Največi trajni napon AC 280 V
Najviša vrednost trajnog napona (N-PE) 255 V
Nominalna struja odvođenja (8/20 µs) 30 kA
Nominalna struja odvođenja (8/20 µs) [L-N] 30 kA
Nominalna struja odvođenja (8/20 µs) [N-PE] 50 kA
Nominalni napon AC (50 / 60 Hz) 230 V
Oblik mreže ostalo
Oblik mreže DC ne
Oblik mreže IT ne
Oblik mreže TN da
Oblik mreže TN-C ne
Oblik mreže TN-C-S da
Oblik mreže TN-S da
Oblik mreže TT da
Oblik mreže, ostali ne
Odvodna struja (8/20 µs) [ukupna] 50 kA
Prag zaštite [L-N] ≤1,3
Prečnik krutog provodnika (jedno-/višežilni) maks. 35 mm²
Prečnik krutog provodnika (jedno-/višežilni) min. 2,5 mm²
Radna temperatura maks. 80 °C
Radna temperatura min. -40 °C
Signalizacija na uređaju vizuelno
SPD prema EN 61643-11 Tip 1+2
SPD prema IEC 61643-1 klasa I+II
Temperaturna oblast primene maks. 80 °C
Temperaturna oblast primene min. -40 °C
Udarni napon (10/350 μs) 12,5 kA
Udarni napon (10/350) [ukupno] 25 kA
Varijanta 1+NPE + FS
Varijanta polova 1+N/PE
Vrsta zaštite IP20
Svi tipovi

Svi tipovi

Tip Varijanta polova Največi trajni napon AC Vrsta zaštite Br.art. Količina malo pakovanje
V50-B+C 3+NPE+FS 3+N/PE 280 V IP20 5093662
1 Komad
V50-B+C 1+NPE+FS 1+N/PE 280 V IP20 5093661
1 Komad
Preuzimanja

Preuzimanje

Preuzimanje
Preuzimanje
Preuzimanje

Preuzimanje
Preuzimanje

V50-B+C 1+NPE+FS / 5093661
Preuzimanje