Priključna ploča L oblika FT

Br.art. 1124653 | EAN 4012195486060

1124653 / GMS 3 VP L FT
90 mm
40 mm
Opis proizvoda
Opis proizvoda
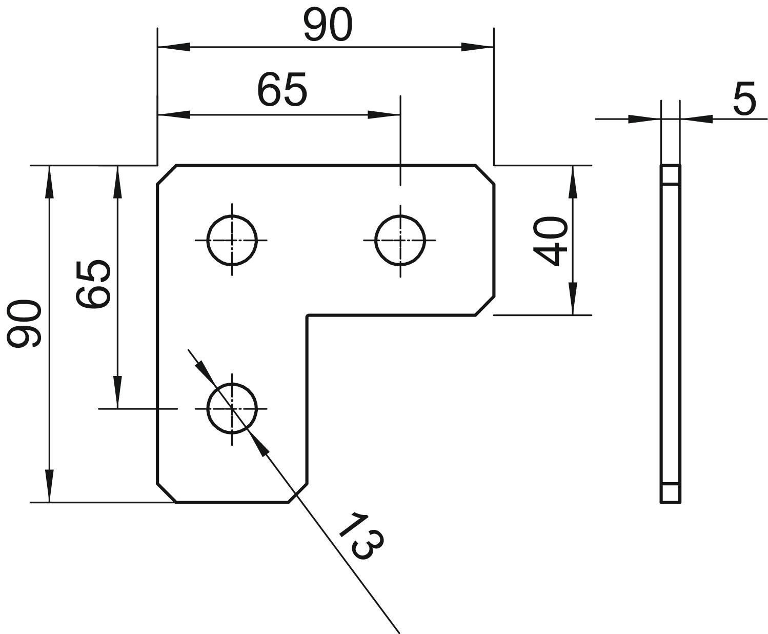
Priključna ploča s 3 rupe za ugaono spajanje profilnih šina 41 x 41 mm i 41 x 21 mm.
  • Communautés Européennes, EU Izjava o usaglašenosti prema EU-pravilniku
  • Ugljični otisak (PCF)
  • Pakovanje bez plastike
Tehnički podaci

CO2 otisak (Product Carbon Footprint)

CO2 otisak (GWP) od kolevke do kapije 0,782 kg CO2e / 1 Komad
Debljina materijala 5 mm
Dimenzija 90x90x40x5
Dužina 90 mm
Materijal Čelik
Nerđajući čelik, nagrižen ne
Odgovara za forme profila C-profil
Površina vruće pocinkano utapanjem
S vijčanim priborom ne
Širina 40 mm
Varijanta sa otvorenim rupama 13 mm
Veličina rupe 13
Visina 5 mm
Svi tipovi

Svi tipovi

Tip Dužina Širina Br.art. Količina malo pakovanje
GMS 3 VP L FT 90 mm 40 mm 1124653
10 Komad
Preuzimanja

Preuzimanje

Preuzimanje

GMS 3 VP L FT / 1124653
Preuzimanje