Priključna ploča T oblika FT

Br.art. 1124655 | EAN 4012195486077

1124655 / GMS 4 VP T FT
200 mm
40 mm
Opis proizvoda
Opis proizvoda
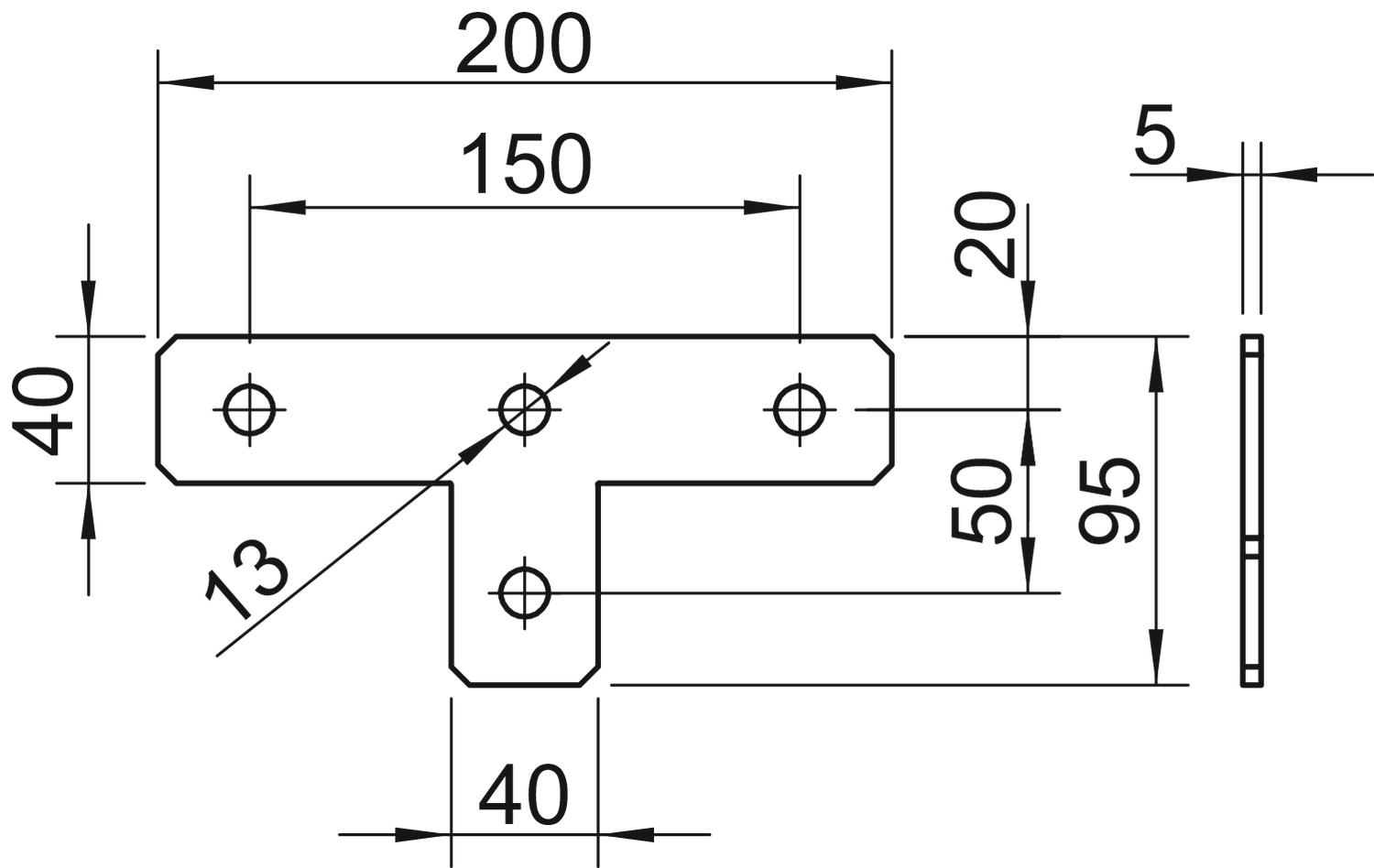
Priključna ploča sa 4 rupe za spajanje u T-obliku profilnih šina 41 x 41 mm i 41 x 21 mm.
  • Communautés Européennes, EU Izjava o usaglašenosti prema EU-pravilniku
  • Ugljični otisak (PCF)
Tehnički podaci

CO2 otisak (Product Carbon Footprint)

CO2 otisak (GWP) od kolevke do kapije 1,2466 kg CO2e / 1 Komad
Debljina materijala 5 mm
Dimenzija 200x95x40x5
Dužina 200 mm
Materijal Čelik
Nerđajući čelik, nagrižen ne
Odgovara za forme profila C-profil
Površina vruće pocinkano utapanjem
S vijčanim priborom ne
Širina 40 mm
Varijanta sa otvorenim rupama 13 mm
Veličina rupe 13
Visina 5 mm
Svi tipovi

Svi tipovi

Tip Dužina Širina Br.art. Količina malo pakovanje
GMS 4 VP T FT 200 mm 40 mm 1124655
10 Komad
Preuzimanja

Preuzimanje

Preuzimanje

GMS 4 VP T FT / 1124655
Preuzimanje