Priključna ploča X oblika FT

Br.art. 1124657 | EAN 4012195486084

1124657 / GMS 5 VP X FT
150 mm
40 mm
Opis proizvoda
Opis proizvoda
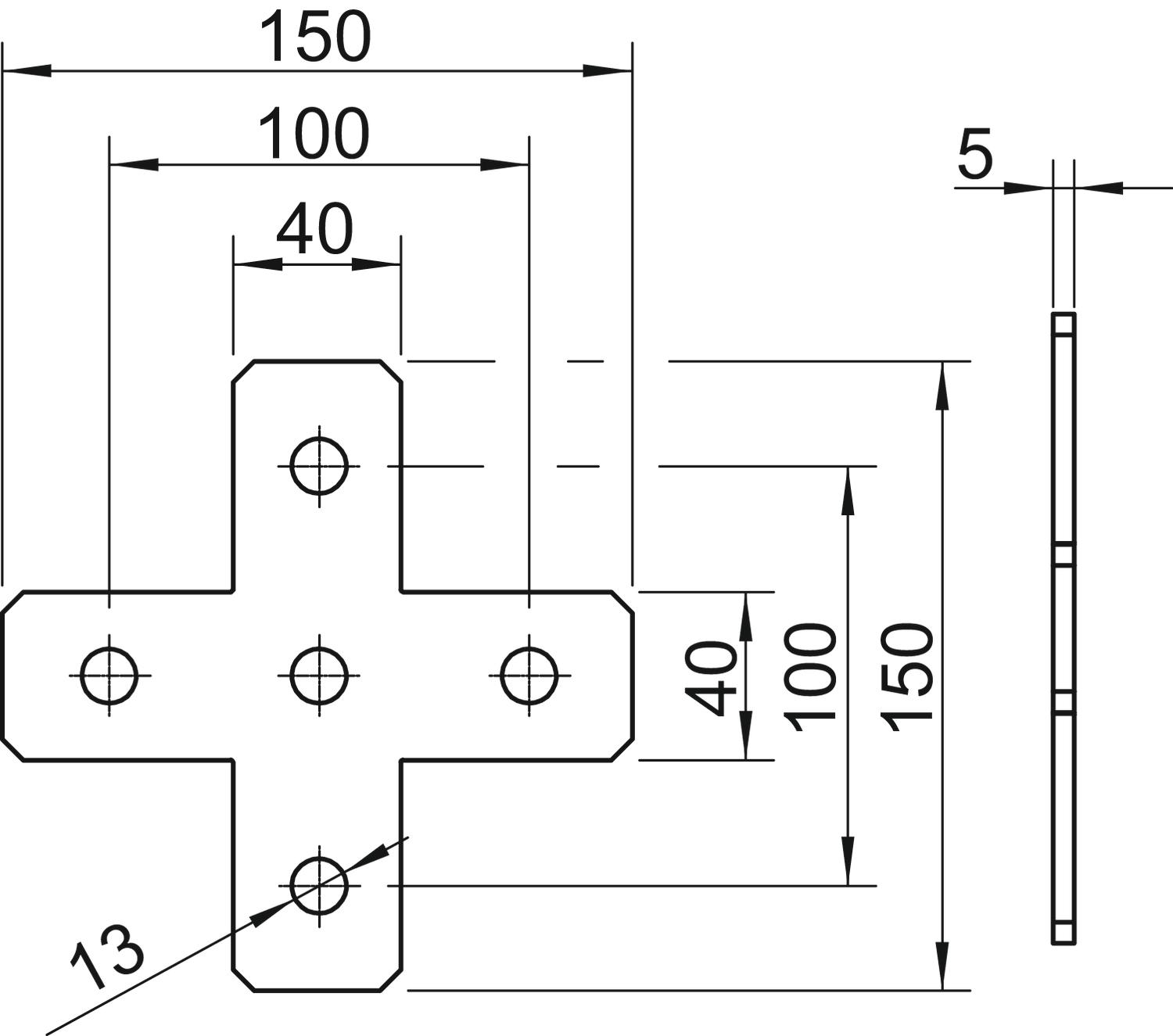
Priključna ploča sa 5 rupa za unakrsno spajanje profilnih šina 41 x 41 mm i 41 x 21 mm.
  • Communautés Européennes, EU Izjava o usaglašenosti prema EU-pravilniku
  • Ugljični otisak (PCF)
Tehnički podaci

CO2 otisak (Product Carbon Footprint)

CO2 otisak (GWP) od kolevke do kapije 1,5397 kg CO2e / 1 Komad
Debljina materijala 5 mm
Dimenzija 150x150x40x5
Dužina 150 mm
Materijal Čelik
Nerđajući čelik, nagrižen ne
Odgovara za forme profila C-profil
Površina vruće pocinkano utapanjem
S vijčanim priborom ne
Širina 40 mm
Varijanta sa otvorenim rupama 13 mm
Veličina rupe 13
Visina 5 mm
Svi tipovi

Svi tipovi

Tip Dužina Širina Br.art. Količina malo pakovanje
GMS 5 VP X FT 150 mm 40 mm 1124657
10 Komad
Preuzimanja

Preuzimanje

Preuzimanje

GMS 5 VP X FT / 1124657
Preuzimanje