Spojnica FT

Br.art. 1124641 | EAN 4012195486008

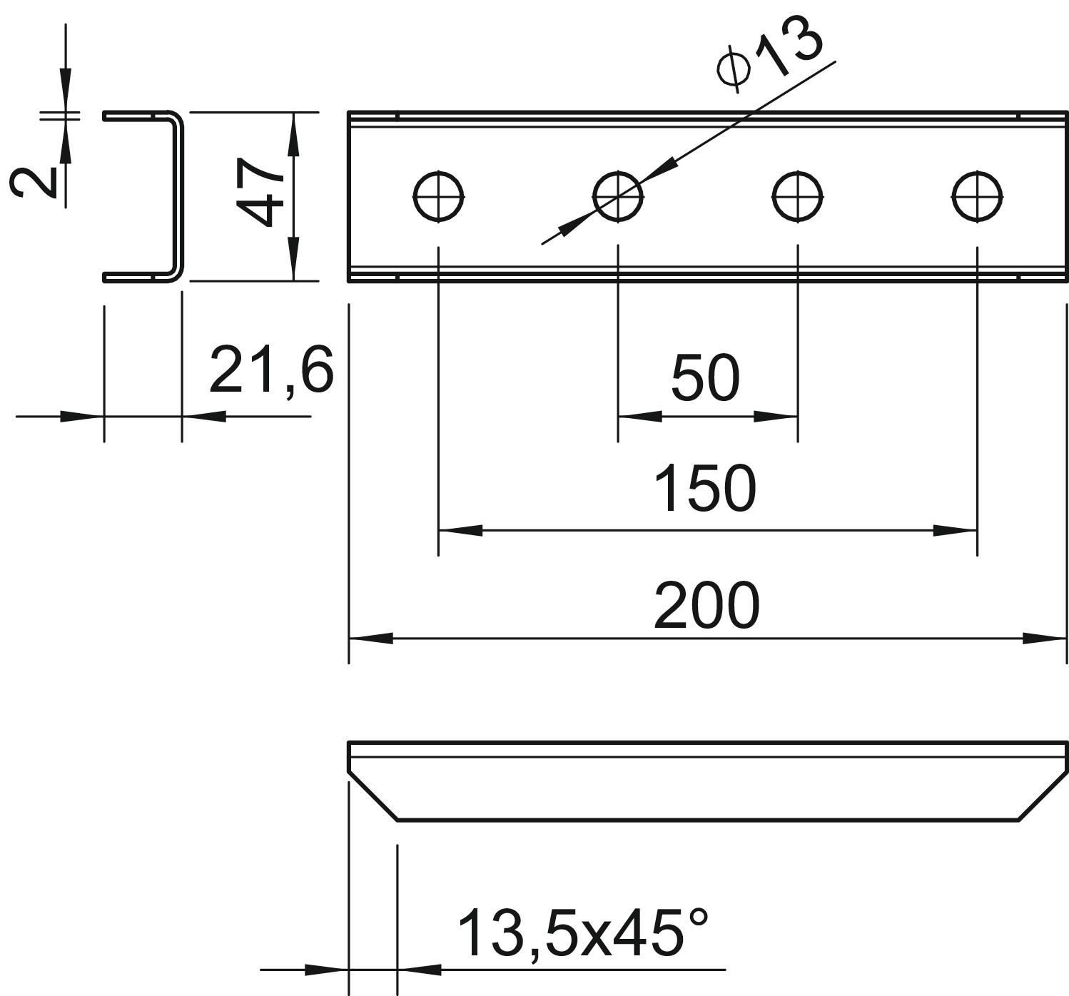
1124641 / GVMS 4 ASV FT
200 mm
47 mm
Opis proizvoda
Opis proizvoda
Spojnica koja zahvata spolja, sa 4 rupe za spajanje po dužini profilnih šina 41 x 41 mm i 41 x 21 mm
  • Communautés Européennes, EU Izjava o usaglašenosti prema EU-pravilniku
  • Ugljični otisak (PCF)
  • Pakovanje bez plastike
  • Pakovanje potpuno od recikliranog kartona
Tehnički podaci

CO2 otisak (Product Carbon Footprint)

CO2 otisak (GWP) od kolevke do kapije 0,6485 kg CO2e / 1 Komad
Debljina materijala 2 mm
Dimenzija 200x48x30
Dužina 200 mm
Materijal Čelik
Nerđajući čelik, nagrižen ne
Odgovara za forme profila C-profil
Površina vruće pocinkano utapanjem
S vijčanim priborom ne
Širina 47 mm
Varijanta sa otvorenim rupama 13 mm
Veličina rupe 13
Visina 22 mm
Svi tipovi

Svi tipovi

Tip Dužina Širina Br.art. Količina malo pakovanje
GVMS 4 ASV FT 200 mm 47 mm 1124641
10 Komad
Preuzimanja

Preuzimanje

Preuzimanje

GVMS 4 ASV FT / 1124641
Preuzimanje