Srednja i fina zaštita FLD za dvožilne sisteme 24 V

Br.art. 5098611 | EAN 4012195578383

2
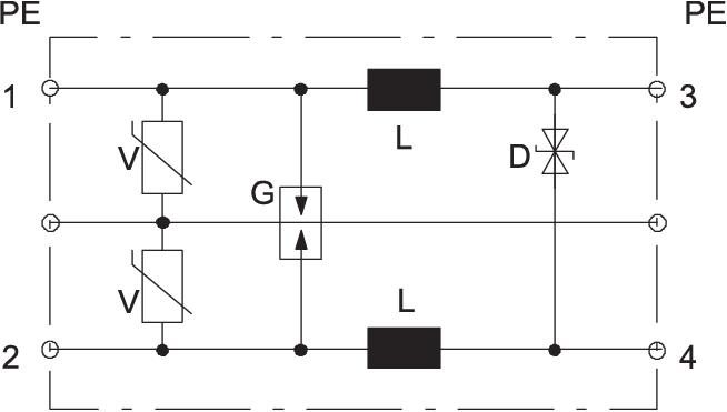
Klema
Opis proizvoda
Opis proizvoda
Zaštita od prenapona za primenu u mernoj, upravljačkoj i regulacionoj tehnici

• Srednja i fina zaštita
• Standardna varijanta za dvožilne sisteme
• Dvostepeni zaštitni uklop
• Sa priključnim klemama bez vijaka, lakim za montažu
• U dimenzijama rastera 17,5-mm koji štedi na prostoru
• Sa induktivnim razdvajanjem u dužnoj račvi

Primena: Univerzalna primena na 35-mm-profilnim šinama u svim uobičajenim kućištima razdelnika.
  • Underwriters Laboratories Inc., SAD
  • 5 godina garancije
  • Communautés Européennes, EU Izjava o usaglašenosti prema EU-pravilniku
  • Prelaz od LPZ 0 do 3
  • Merni, upravljački i regulacioni sistemi
  • Installation electrotechnical expertise
  • CO₂ footprint (PCF)
  • Packaging without plastic
Tehnički podaci

Tehnički podaci

Broj polova 2
CO2 otisak (GWP) od kolevke do kapije 0,298 kg CO2e / 1 Komad
Dimenzija 24V AC
Dozvole UL
Granična frekvencija 0,18 MHz
Impulsna struja 1,5 kA
Ispitni standard IEC 61643-21
Izolacioni otpor >1 MΩ
Kapacitet (žila-zemlja) <1 nF
Kapacitet (žila-žila) <10 nF
Kategorie Tip 1+2+3 / D1+C2+C1
LPZ 0→3
Največi trajni napon AC 19 V
Najveći trajni napon DC 28 V
Nominalna struja odvođenja (8/20 µs) 5 kA
Nominalna struja opterećenja AC 0,7 A
Nominalna struja opterećenja DC 1 A
Otpornost na udarnu struju žila-zemlja C2: 10 kV / 5 kA (8/20µs)
Otpornost na udarnu struju žila-žila C2: 5 kV / 2,5 kA (8/20µs)
Podeok TE (17,5 mm) 1
Prag zaštite žila - zemlja <600 V
Prag zaštite žila - žila <60 V
Prečnik priključka, kruti maks. 2,5 mm²
Prečnik priključka, kruti min. 0,14 mm²
Presek priključka fleksibilan min. 0,14 mm²
Presek priključka višežilni maks. 2,5 mm²
Presek priključka višežilni min. 0,14 mm²
Presek priključka, fleksibilan maks. 2,5 mm²
Priključak zaštite ne
Serijska induktivnost po žili 120 µH ± 20 %
SPD prema IEC 61643-21 Klasa I+II+III / D1+C2+C1
Telekomunikacioni kontakt ne
Temperaturna oblast primene maks. 80 °C
Temperaturna oblast primene min. -40 °C
Ukupna odvodna struja (10/350) D1: 3 kA
Ukupna odvodna struja (8/20) 10 kA
Uneto slabljenje (insertion loss) 3 dB @ 180 kHz dB
Utični sistem Klema
Uzemljenje preko: Klema
Varijanta ispitana na eksplozije ne
Vrsta zaštite IP20
Svi tipovi

Svi tipovi

Tip Broj polova Največi trajni napon AC Najveći trajni napon DC Utični sistem Br.art. Količina malo pakovanje
FLD 24 2 19 V 28 V Klema 5098611
1 Komad
FLD 48 2 37 V 53 V Klema 5098630
1 Komad
Preuzimanja

Preuzimanje

Preuzimanje

EU izjava o usaglašenosti FLD 24 / 5098611 , 0.13MB , pdf
Preuzimanje

Preuzimanje
Preuzimanje

FLD 24 / 5098611
Preuzimanje