- Opis proizvoda
-
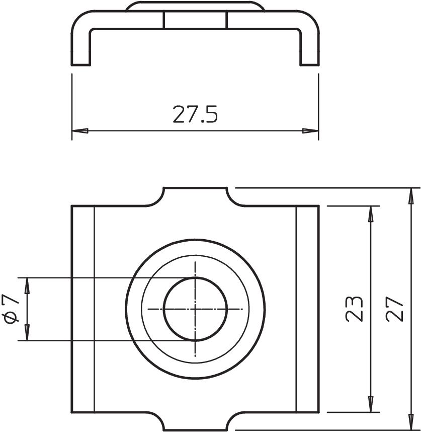
Opis proizvodaStezni komad za pričvrćivanje mrežastih nosača kablova širine 50 mm na pod.
-
- Tehnički podaci
-
Tehnički podaci
Boja cink CO2 otisak (GWP) od kolevke do kapije 0,0345 kg CO2e / 1 Komad Dužina 27,5 mm Materijal Čelik Nerđajući čelik, nagrižen ne Odgovara za mrežasti nosač kablova da Odgovara za nosač kablova ne Podobno za lestvičasti nosač kablova ne Površina galvanski pocinkovano Širina 27 mm - Svi tipovi
- Preuzimanja
-
Informativni list GKB 34 G / 6016674 , 0.20MB , pdfEU izjava o usaglašenosti GKB 34 G / 6016674 , 0.13MB , pdfUK Izjava o usaglašenosti GKB 34 G / 6016674 , 0.09MB , pdfREACH Izjava o usaglašenosti GKB 34 G / 6016674 , 0.12MB , pdfRoHS Izjava o usaglašenosti GKB 34 G / 6016674 , 0.12MB , pdfPomoć za izbor GR-Magic® , 2.00MB , pdfUputstvo za montažu Mounting instructions, mesh cable tray systems , 9.52MB , pdfUputstvo za montažu General information on the mounting , 2.65MB , pdf
Србија - Cрпски