Teška krovna kuka za montažu PV modula, popločan krov

Br.art. 5901416 | EAN 4012197451165

Opis proizvoda
Opis proizvoda
Teška krovna kuka za montažu fotonaponskih modula na kosim krovovima u kombinaciji sa nosećim profilom TP 45. Pogodno za krovove od cigle. Pričvršćivanje na noseći profil vijkom sa čekić navrtkom tipa SKSHM A2. Montaža na rogove zavrtnjima sa tanjirastom glavom TKS.
  • Communautés Européennes, EU Izjava o usaglašenosti prema EU-pravilniku
  • CO₂ footprint (PCF)
  • Packaging without plastic
  • Packaging made entirely from recycled cardboard
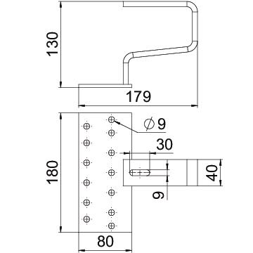
Tehnički podaci

Tehnički podaci

Boja oplemenjeni čelik
CO2 otisak (GWP) od kolevke do kapije 6,5458 kg CO2e / 1 Komad
Debljina materijala 8 mm
Dimenzija 192x180x130
Dužina pričvrsne ploče 180 mm
Materijal plemeniti čelik, nerđajući 1.4301
Nagibni ugao min. 90 °
Podesivo ne
Pogodno za krovni materijal Krovni pokrivač
Pogodno za učvršćivanje fotonaponskih sistema na krov/fasadu Pričvršćivanje na kose krovove
Postavljanje horizontalno
Potreban je krovni prodor da
Površina nagriženo
Sa montažnom pločom da
Širina 120 mm
Širina pričvrsne ploče 80 mm
Usidrenje naviti
Visina pričvrsne ploče 5 mm
Svi tipovi

Svi tipovi

Tip Br.art. Količina malo pakovanje
DHS A2 5901416
10 Komad
Preuzimanja

Preuzimanje

Preuzimanje

Za ovaj proizvod nema tenderskih specifikacija na raspolaganju