Vertikalna krivina 90°, uzlazna 35 FT

Br.art. 7007176 | EAN 4012195863236

Čelik
vruće pocinkano utapanjem
cink
Opis proizvoda
Opis proizvoda
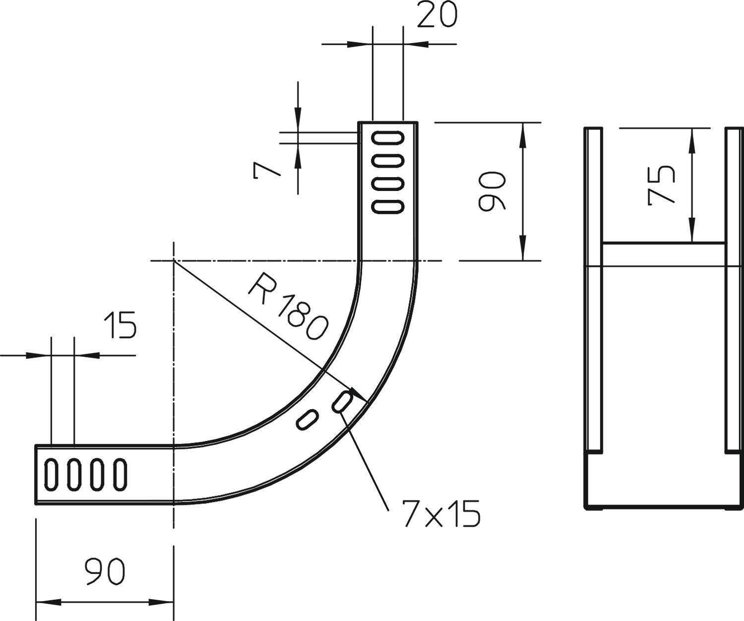
Vertikalna krivina 90° u uzlaznoj varijanti za sve tipove nosača kablova bočne visine 35 mm.

Vertikalna krivina se uvlači preko kraja nosača kablova i pričvrsti vijcima.

Pričvrsni materijali se naručuju posebno.

  • Communautés Européennes, EU Izjava o usaglašenosti prema EU-pravilniku
  • UKCA Izjava o usaglašenosti
  • Ugljični otisak (PCF)
Tehnički podaci

Tehnički podaci

Boja cink
CO2 otisak (GWP) od kolevke do kapije 1,8169 kg CO2e / 1 Komad
Debljina lima 1 mm
Dimenzija 35x100
Materijal Čelik
Površina vruće pocinkano utapanjem
Promena pravca vertikalno uzlazno
Savijanje (ugao) 90°
Širina 4 in
Širina 100 mm
Varijanta spojnice bez spojnice
Visina 1 in
Visina 35 mm
Vrsta spojnice sistema nosača kablova zašrafljeno
Svi tipovi

Svi tipovi

Tip Širina Materijal Površina Boja Br.art. Količina malo pakovanje
RBV 310 S FT 100 mm Čelik vruće pocinkano utapanjem cink 7007176
1 Komad
RBV 320 S FT 200 mm Čelik vruće pocinkano utapanjem cink 7007184
1 Komad
RBV 330 S FT 300 mm Čelik vruće pocinkano utapanjem cink 7007188
1 Komad
Preuzimanja

Preuzimanje

EU izjava o usaglašenosti RBV 310 S FT / 7007176 , 0.13MB , pdf
Preuzimanje

Preuzimanje

RBV 310 S FT / 7007176
Preuzimanje