Zaštita od prenapona za LED sisteme ÜSM-20-230I1P+PE

Br.art. 5092431 | EAN 4012196515400

5092431 / ÜSM-20-230I1P+PE
1+N/PE
255 V
IP20
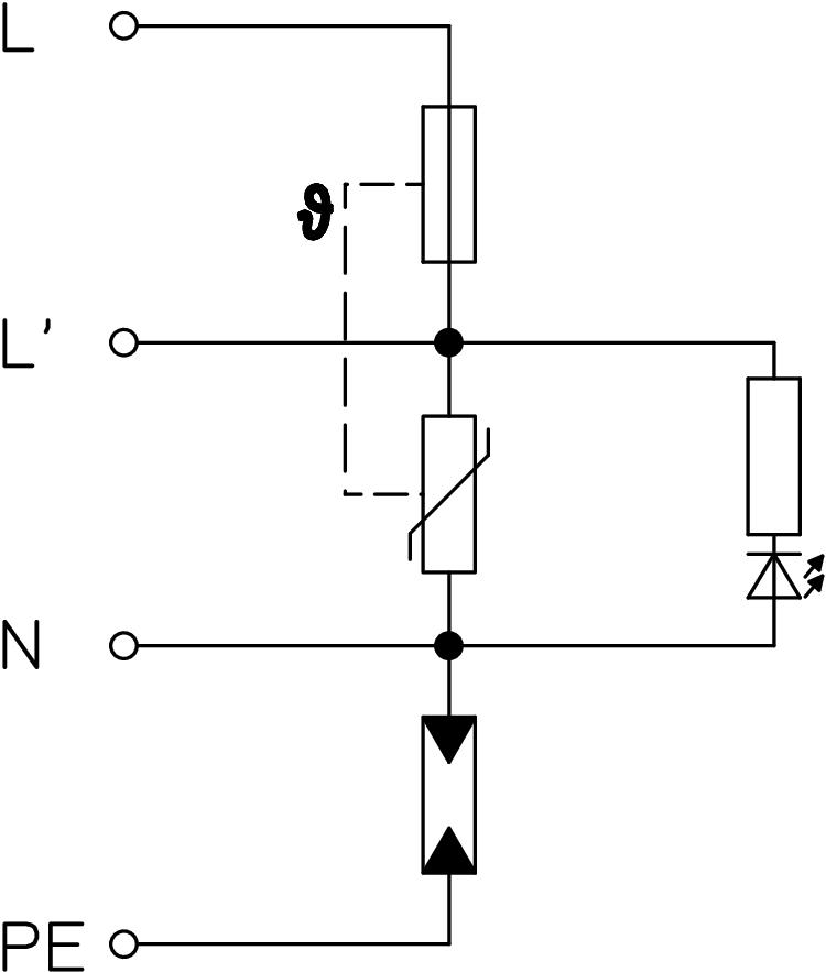
Opis proizvoda
Opis proizvoda
Zaštita od prenapona-modul tip 2+3 prema DIN EN 61643-11 za 230/400V mreže.

Namenjeno za zaštitu LED rasvete.



• sa indikatorom funkcije i isključivanjem glavnog strujnog kola u slučaju kvara SPD-a
• mala veličina za ugradnju u razvodne kutije gromobrana ili ispred pokretača
• 1+NPE zaštitni prekidač sa maks.
Za zaštitu elektronskih uređaja od prenaapona kao npr.
  • 5 godina garancije
  • Communautés Européennes, EU Izjava o usaglašenosti prema EU-pravilniku
  • EurAsian Conformity
  • Prelaz od LPZ 1 do 3
  • Zaštitni uređaj prema DIN EN 61643-11 odn. IEC 61643-11
  • Installation electrotechnical expertise
  • Ugljični otisak (PCF)
  • Pakovanje bez plastike
Tehnički podaci

CO2 otisak (Product Carbon Footprint)

CO2 otisak (GWP) od kolevke do kapije 0,024 kg CO2e / 1 Komad
Dimenzija 230V
Dužina 155 mm
Dužina priključnog kabla 0,09 m
Ispitna klasa tip 2 da
Ispitna klasa tip 3 da
Kontaktno vreme <25 ns
LPZ 1→2
Maks. prenaponska zaštita mreže 16
Maksimalna udarna struja odvođenja (8/20 μs) 20 kA
Maksimalna udarna struja odvođenja (8/20 μs) [L-N] 10 kA
Maksimalna udarna struja odvođenja (8/20 μs) [N-PE] 10 kA
Maksimalni preventivni osigurač 16 A
Način montaže ostalo
Največi trajni napon AC 255 V
Najviša vrednost trajnog napona (L-N) 255 V
Najviša vrednost trajnog napona (N-PE) 255 V
Nominalna struja odvođenja (8/20 µs) 10 kA
Nominalna struja odvođenja (8/20 µs) [L-N] 10 kA
Nominalna struja odvođenja (8/20 µs) [N-PE] 10 kA
Nominalni napon AC (50 / 60 Hz) 230 V
OBO nominalna struja opterećenja (klema ulaza/izlaza) 16 A
Odvodna struja (8/20 µs) [ukupna] 20 kA
Prag zaštite [L-N] ≤1,3
Radna temperatura maks. 80 °C
Radna temperatura min. -40 °C
Signalizacija na uređaju vizuelno
Širina 40 mm
SPD prema EN 61643-11 tip 2+3
SPD prema IEC 61643-1 klasa II+III
Temperaturna oblast primene maks. 80 °C
Temperaturna oblast primene min. -40 °C
Varijanta 1polna + NPE za SK I
Varijanta polova 1+N/PE
Visina 21 mm
Vrsta zaštite IP20
Zajednički prag zaštite [L-PE] 1,5 kV
Svi tipovi

Svi tipovi

Tip Varijanta polova Največi trajni napon AC Vrsta zaštite Br.art. Količina malo pakovanje
ÜSM-20-230I1P+PE 1+N/PE 255 V IP20 5092431
1 Komad
Preuzimanja

Preuzimanje

Preuzimanje

ÜSM-20-230I1P+PE / 5092431
Preuzimanje