Lestvičasti nosač kablova za velike raspone WKLG 110 A2

Br.art. 6311218 | EAN 4012195037323

6000 mm
2 mm
ne
Opis proizvoda
Opis proizvoda
Nosači kablova za velike raspone s perforiranom bočnom stranicom, bočne visine 110 mm. Pričvršćivanje kablova na nosač pomoću šelni tipa 2056


Magnetna zaštita bez poklopca 10 dB, sa poklopcem 15 dB.

Prave spojnice tipa WRVL 110 naručuju se posebno, po potrebi.

  • Magnetna zaštita
  • Communautés Européennes, EU Izjava o usaglašenosti prema EU-pravilniku
  • UKCA Izjava o usaglašenosti
  • Lestvičasti nosač kablova za velike raspone, bočna visina 110 mm
  • Deklaracija ekološkog proizvoda (EPD)
  • Ugljični otisak (PCF)
Tehnički podaci

Tehnički podaci

Bočne perforacije da
Boja oplemenjeni čelik
CO2 otisak (GWP) od kolevke do kapije 33,146 kg CO2e / 1 Metar
Debljina stranice 2 mm
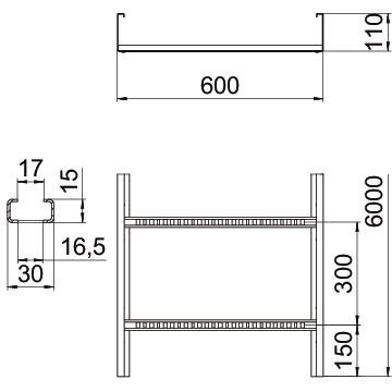
Dimenzija 110x600x6000
Dimenzija B 600 mm
Dimenzija L 6000 mm
Dimenzija proreza prečke 17,00
Dimenzije 110x600
Dužina 6000 mm
Izvedba-za velike raspone da
Korisni presek 56600 mm²
Korisni presek 566 cm²
Materijal plemeniti čelik, nerđajući 1.4301
Nerđajući čelik, nagrižen ne
Održavanje funkcionalnosti ne
Površina svetlo, naknadno obrađeno
Pričvršćivanje pregrade kompletno zanitovano
Rastojanje među konzolama 3,0m 2,3 kN/m
Rastojanje među konzolama 3,5m 2,25 kN/m
Rastojanje među konzolama 4,0m 2,1 kN/m
Rastojanje među konzolama 4,5m 1,83 kN/m
Rastojanje među konzolama 5,0m 1,5 kN/m
Rastojanje među konzolama 6,0m 1 kN/m
Rastojanje među konzolama 7,0m 0,7 kN/m
Širina 600 mm
Varijanta bočne stranice Profil (otvoren)
Varijanta prečki Profil perforiran
Visina 110 mm

Tehnički podaci

Dijagram opterećenja Nosač kablova za velike raspone tipa WKLG 110

Dijagram opterećenja Nosač kablova za velike raspone tipa WKLG 110
  • Dozvoljeno opterećenje nosača kablova / lestvičastih nosača kablova u kN/m bez dodatnog opterećenja Dozvoljeno opterećenje nosača kablova / lestvičastih nosača kablova u kN/m bez dodatnog opterećenja
  • Rastojanje između oslonaca u m Rastojanje između oslonaca u m
  • Defleksija nosača kablova u mm uz dozvoljenih kN/m Defleksija nosača kablova u mm uz dozvoljenih kN/m
  • Šema opterećenja prilikom testiranja Šema opterećenja prilikom testiranja
  • Kriva opterećenja sa širinama nosača/lestvičastih nosača kablova u mm Kriva opterećenja sa širinama nosača/lestvičastih nosača kablova u mm
  • Kriva defleksije stranice u zavisnosti od potpornog raspona Kriva defleksije stranice u zavisnosti od potpornog raspona
Svi tipovi

Svi tipovi

Tip Dužina Širina Debljina stranice Održavanje funkcionalnosti Br.art. Količina malo pakovanje
WKLG 1120 A2 6000 mm 200 mm 2 mm ne 6311202
6 m
WKLG 1130 A2 6000 mm 300 mm 2 mm ne 6311206
6 m
WKLG 1140 A2 6000 mm 400 mm 2 mm ne 6311210
6 m
WKLG 1150 A2 6000 mm 500 mm 2 mm ne 6311214
6 m
WKLG 1160 A2 6000 mm 600 mm 2 mm ne 6311218
6 m
Dodatna oprema

Sistemski pribor

Proizvodi Tip Br.art. Količina malo pakovanje
Poklopac sa obrtnom bravom A2 Poklopac sa obrtnom bravom A2 WDRL 1116 60 A2 6227368
3 m
Brza spojnica A2 Brza spojnica A2 WRVL 110 A2 6091229
2 Komad
Ugaona spojnica 110 A2 Ugaona spojnica 110 A2 WRWVK 110 A2 6091393
2 Komad
Zaštitna kapa Zaštitna kapa SKHW 110 OR 6310398
20 Par
Zglobna spojnica A2 Zglobna spojnica A2 WRGV 110 A2 6091338
2 Komad
Pregrada 85 A2 Pregrada 85 A2 TSG 85 A2 6062173
3 m
Krivina 90° 110 A2 Krivina 90° 110 A2 WLB 90 116 A2 6312547
1 Komad
Preuzimanja

Preuzimanje

EU izjava o usaglašenosti WKLG 1160 A2 / 6311218 , 0.13MB , pdf
Preuzimanje
Deklaracija o ekološkim proizvodima (EPD) WKLG 1160 A2 / 6311218 , 1.48MB , pdf
Preuzimanje

Preuzimanje
Preuzimanje

WKLG 1160 A2 / 6311218
Preuzimanje