Lučna obujmica 2056, F-stopa, 3-struka, metalno pritisno korito, FT

Br.art. 1188218 | EAN 4012197405236

3 Nm
Opis proizvoda
Opis proizvoda
Lučna obujmica sa F-stopom, metalno pritisno korito sa zaobljenim ivicama radi zaštite kabla. Za vertikalnu i horizontalnu montažu 3 pojedinačna kabla na ravan profil. Pomoću zavrtnja sa 1-strukim navojem pričvrstiti na pritisno korito, univerzalna šestostrana glava zavrtnja SW10, sa ravnim ili krstastim prorezom. Pogodno za montažu u zatvorenom i na otvorenom prostoru. Više kablova treba odvojiti dvostrukim koritom. Preporučuje se upotreba kontrakadice
  • bez halogena; bez hlora, fluora i broma
  • Communautés Européennes, EU Izjava o usaglašenosti prema EU-pravilniku
  • Ravan čelik
  • U-čelični komad
  • Lučna obujmica za ravne i U profile od 4-12 mm
  • CO₂ footprint (PCF)
  • Packaging without plastic
  • Packaging made entirely from recycled cardboard
Tehnički podaci

Tehnički podaci

bez halogena da
Broj kablova/cevi 3
CO2 otisak (GWP) od kolevke do kapije 0,1905 kg CO2e / 1 Komad
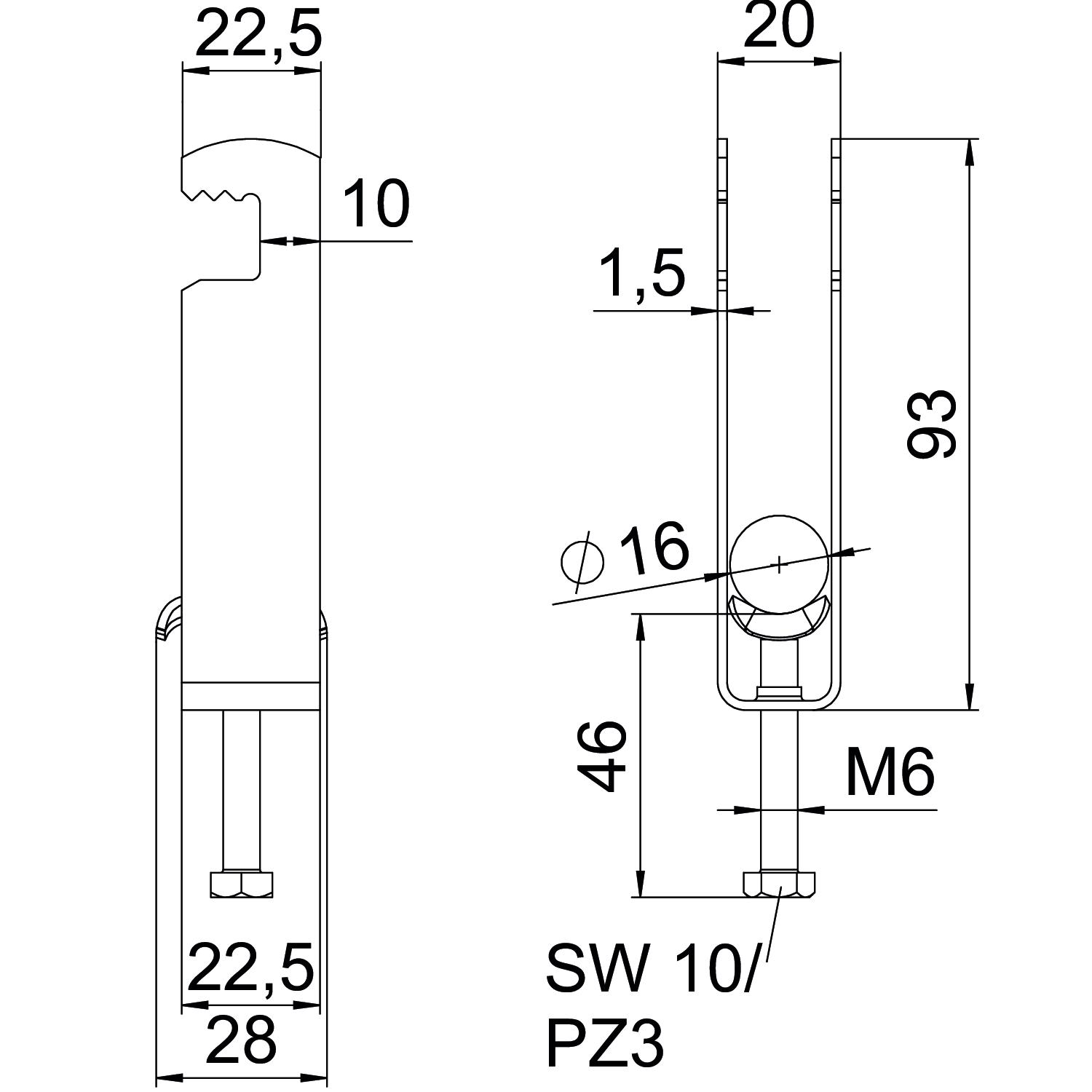
Debljina lima 1,5 mm
Dimenzija 12-16mm
Dimenzija A 22,5 mm
Dimenzija B 20 mm
Dimenzija C 28 mm
Dimenzija G (mm) M6
Dimenzija H 93 mm
Dimenzija L 46 mm
Dimenzija t 1,5 mm
Dodatak materijal Čelik
Dodatak površina toplo pocinkovano
Dužina 22,5 mm
Dužina spoljne dimenzije 28 mm
Maks. Zatezni momenat 3 Nm
Materijal Čelik
Način montaže ravan profil
Navoj M6
Površina vruće pocinkano utapanjem
Sa metalnim koritom da
Širina 20 mm
Širina proreza 10 mm
Visina 93 mm
za prečnik cevi maks. 16 mm
za prečnik cevi min. 12 mm
Zatezna oblast D maks. 16 mm
Zatezna oblast D min. 12 mm
Svi tipovi

Svi tipovi

Tip Zatezna oblast D min. Zatezna oblast D maks. Maks. Zatezni momenat Br.art. Količina malo pakovanje
BS-F3-M-12 FT 8 mm 12 mm 3 Nm 1188215
50 Komad
BS-F3-M-16 FT 12 mm 16 mm 3 Nm 1188218
50 Komad
BS-F3-M-22 FT 16 mm 22 mm 3 Nm 1188221
50 Komad
BS-F3-M-28 FT 22 mm 28 mm 3 Nm 1188224
50 Komad
Preuzimanja

Preuzimanje

EU izjava o usaglašenosti BS-F3-M-16 FT / 1188218 , 0.13MB , pdf
Preuzimanje

BS-F3-M-16 FT / 1188218
Preuzimanje