Nosač kablova RKS-Magic® FT

Br.art. 6047631 | EAN 4012195903901

3050 mm
60 mm
1 mm
cink
Čelik
vruće pocinkano utapanjem
Opis proizvoda
Opis proizvoda
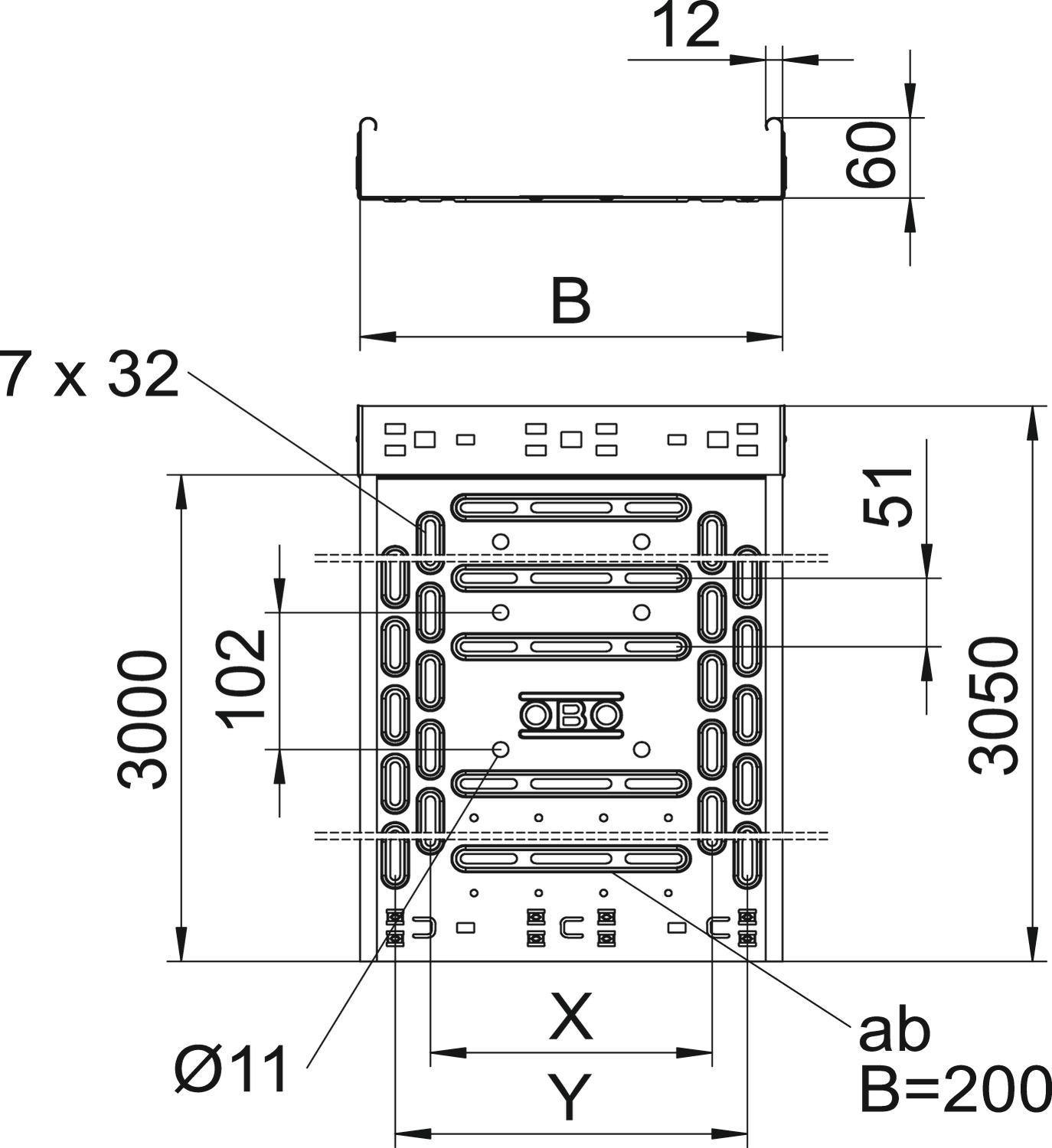
Perforirani nosač kablova sa integrisanim sistemom za brzo pričvršćivanje. Korisna dužina perforiranog nosača kablova iznosi 3.000 mm.

Nosač kablova ima kontinuiranu bočnu perforaciju od 7 x 20 mm za ugradnju dodatnih komponenata za spajanje i montažu.

Perforacija za direktno kačenje navoja šipke ima prečnik od 11 mm.
Magnetna zaštita bez poklopca 20 dB, sa poklopcem 50 dB.

Kontinuirano izjednačavanje potencijala je obezbeđeno bez dodatnih komponenti.

  • Udruženje elektrotehnike, elektronike i informacione tehnike e.V, Nemačka
  • Underwriters Laboratories Inc., USA & Kanada
  • Communautés Européennes, EU Izjava o usaglašenosti prema EU-pravilniku
  • UKCA Izjava o usaglašenosti
  • Klasaodržanja funkcionalnosti E30
  • Stepen održavanja funkcionalnosti E60
  • Klasaodržanja funkcionalnosti E90
  • Environmental Product Declaration (EPD)
  • CO₂ footprint (PCF)
Tehnički podaci

Tehnički podaci

Bočne perforacije da
Boja cink
CO2 otisak (GWP) od kolevke do kapije 5,4713 kg CO2e / 1 Metar
Debljina lima 1 mm
Debljina lima 0,03 in
Dimenzija 60x150x3050
Dimenzija B 150 mm
Dimenzija x 50 mm
Dimenzija y 100 mm
Dužina 10 ft
Dužina 3050 mm
Izvedba-za velike raspone ne
Korisna dužina 3000 mm
Korisni presek 88 cm²
Korisni presek 8800 mm²
Magnetna zaštita bez poklopca 20 dB
Magnetna zaštita sa poklopcem 50 dB
Materijal Čelik
Montažna perforacija u podu da
NATO otvor ne
NEMA klasa opterećenja 8AA
Nerđajući čelik, nagrižen ne
Održavanje funkcionalnosti da
Podna perforacija 1,00
Površina vruće pocinkano utapanjem
Rastojanje među konzolama 1,0m 1,2 kN/m
Rastojanje među konzolama 1,5m 0,9 kN/m
Rastojanje među konzolama 2,0m 0,6 kN/m
Rastojanje među konzolama 2,5m 0,4 kN/m
Sa poklopcem ne
Širina 6 in
Širina 150 mm
Tip testa opterećenja prema IEC 61537 Tip II
Varijanta spojnice integrisana spojnica
Visina 2 in
Visina 60 mm
Vrsta spojnice sistema nosača kablova Uklopno pričvršćivanje
Zaštita od požara Održavanje funkcionalnosti noseće konstrucije specifične za kablove

Tehnički podaci

Dijagram opterećenja za nosač kablova tipa RKSM 60

Dijagram opterećenja za nosač kablova tipa RKSM 60
  • Dozvoljeno opterećenje nosača kablova / lestvičastih nosača kablova u kN/m bez dodatnog opterećenja Dozvoljeno opterećenje nosača kablova / lestvičastih nosača kablova u kN/m bez dodatnog opterećenja
  • Rastojanje između oslonaca u m Rastojanje između oslonaca u m
  • Defleksija nosača kablova u mm uz dozvoljenih kN/m Defleksija nosača kablova u mm uz dozvoljenih kN/m
  • Šema opterećenja prilikom testiranja Šema opterećenja prilikom testiranja
  • Kriva opterećenja sa širinama nosača/lestvičastih nosača kablova u mm Kriva opterećenja sa širinama nosača/lestvičastih nosača kablova u mm
  • Kriva defleksije stranice u zavisnosti od potpornog raspona Kriva defleksije stranice u zavisnosti od potpornog raspona
Svi tipovi

Svi tipovi

Tip Dužina Širina Visina Debljina lima Održavanje funkcionalnosti Boja Materijal Površina Br.art. Količina malo pakovanje
RKSM 610 FT 3050 mm 100 mm 60 mm 1 mm da cink Čelik vruće pocinkano utapanjem 6047612
3 m
RKSM 615 FT 3050 mm 150 mm 60 mm 1 mm da cink Čelik vruće pocinkano utapanjem 6047631
3 m
RKSM 620 FT 3050 mm 200 mm 60 mm 1 mm da cink Čelik vruće pocinkano utapanjem 6047639
3 m
RKSM 630 FT 3050 mm 300 mm 60 mm 1 mm da cink Čelik vruće pocinkano utapanjem 6047655
3 m
RKSM 640 FT 3050 mm 400 mm 60 mm 1 mm da cink Čelik vruće pocinkano utapanjem 6047690
3 m
RKSM 650 FT 3050 mm 500 mm 60 mm 1 mm ne cink Čelik vruće pocinkano utapanjem 6047720
3 m
RKSM 660 FT 3050 mm 600 mm 60 mm 1 mm ne cink Čelik vruće pocinkano utapanjem 6047736
3 m
Dodatna oprema

Sistemski pribor

Proizvodi Tip Br.art. Količina malo pakovanje
Poklopac sa obrtnom bravom FT Poklopac sa obrtnom bravom FT DRL 150 FT 6051359
3 m
Krivina 45° 60 FT Krivina 45° 60 FT RB 45 615 FT 6036132
1 Komad
Krivina 90° 60 FT Krivina 90° 60 FT RB 90 615 FT 6036592
1 Komad
Dogradni razdvojni element 60 FT Dogradni razdvojni element 60 FT RAA 615 FT 6042213
1 Komad
T-komad 60 FT T-komad 60 FT RT 615 FT 6038132
1 Komad
Poklopac sa obrtnom bravom DD Poklopac sa obrtnom bravom DD DRL 150 DD 6052706
3 m
Pregrada 60 DD Pregrada 60 DD TSG 60 DD 6062327
3 m
Preuzimanja

Preuzimanje

EU izjava o usaglašenosti RKSM 615 FT / 6047631 , 0.13MB , pdf
Preuzimanje
Deklaracija o ekološkim proizvodima (EPD) RKSM 615 FT / 6047631 , 1.48MB , pdf
Preuzimanje

Preuzimanje
Preuzimanje

RKSM 615 FT / 6047631
Preuzimanje